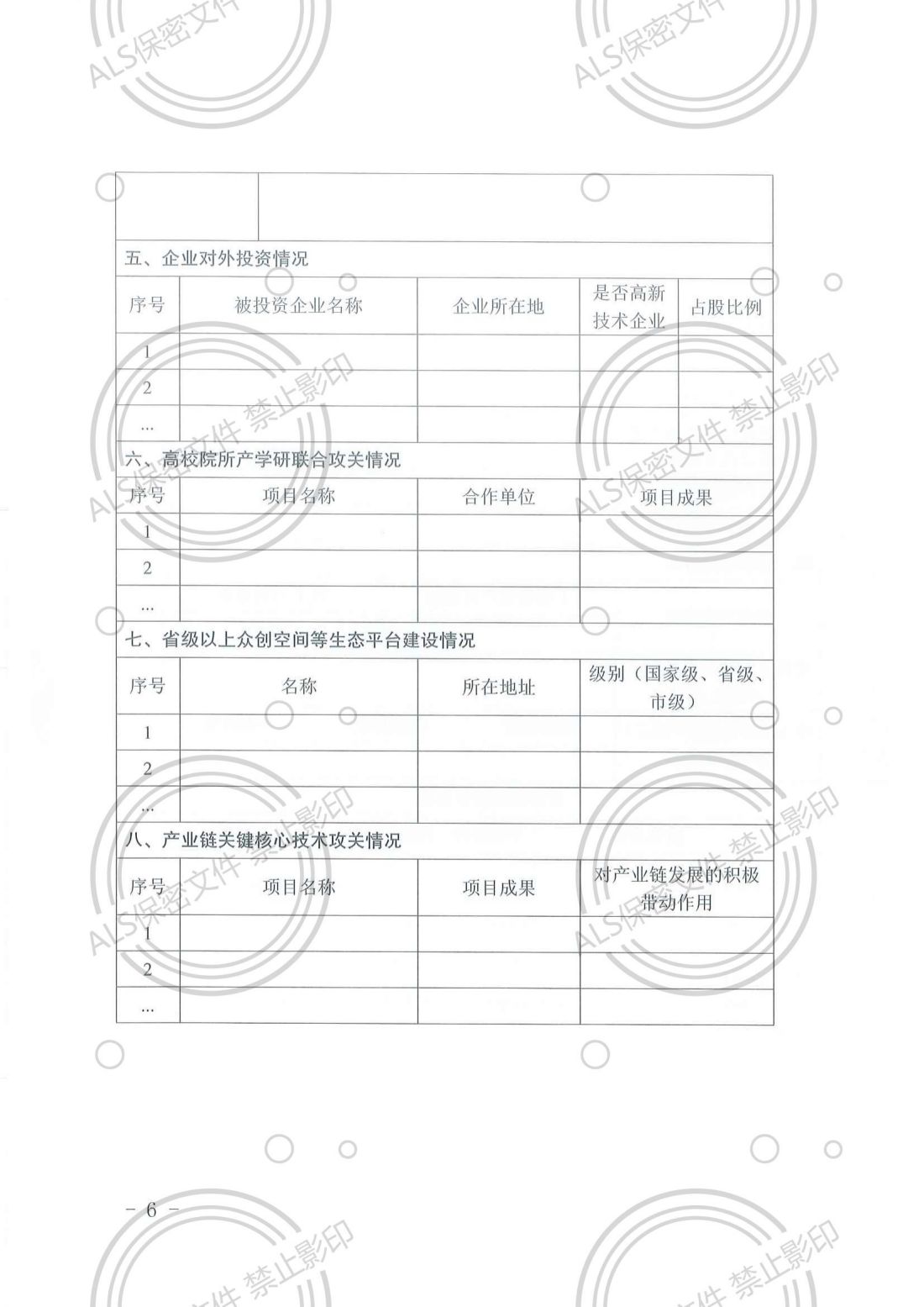
皖科技厅《关于组织开展安徽省2023年度科技领军企业认定工作的通知》皖科企秘〔2023〕96号

2024-01-12